9400 with SM301 - Safe directions and safety door monitoring with interlock - performance level e


Function:
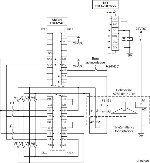
When the safety door is closed and locked, the motor is operated in normal operation mode.
If the interlock is opened via the digital output of the 9400, the motor is stopped according to stop category 1 of EN 60204-1.
When the safety door is open, the switches S1 / S2 are actuated and the motor is operated in special operation mode with safely limited speed and safely limited direction in positive or negative direction.
As soon as the safety door is closed and locked again, the motor can again be operated in normal operation mode without limitations. For this functionality, the operation mode selector of the SM301 is used.
During normal operation, both directions are enabled via the diodes V1/V2 and V3/V4.
During special operation, the enable switch is simulated via the diodes V5/V6 and V7/V8 so that SS1 is deactivated.
The diodes can be purchased as a complete terminal block e.g. from Wago (2001-1211/1000-411).

 

 

Safety information / disclaimer:

The safety application and parameterisation notes are examples of possible subfunctions in machines.

The T10D value according to DIN EN ISO 13849-1, Annex C.4.2 is only indicated if a B10D value is available and the operating time is less than 20 years.
 
Commissioning is prohibited until the machine has been checked in accordance with the regulations set out in the relevant EU directives / national laws.
 
The safety instructions contained in the technical documentation must be observed.
 
Using the examples does not exempt the user from careful project planning. For possible damages and consequential damages Lenze assumes no liability to the extent permitted by law.
 
Copyright 2019 Lenze Automation GmbH

URL for linking this AKB article: https://www.lenze.com/en-de/go/akb/201100474/1/
Contact form