9400 with SM301 - Safe stop 1 and safely-limited speed - SMX10 controls several axes - performance level e


Question:
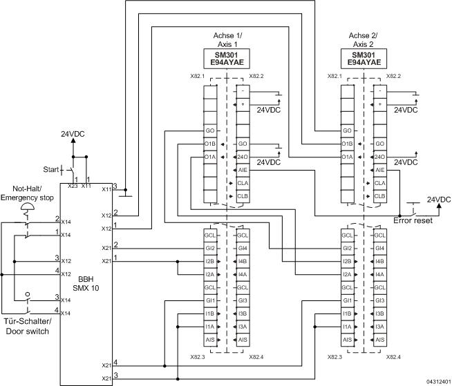
In the example, a safety PLC is used to activate the safety functions in several axes. The application example is not restricted to two axes.
The two axes described are installed in the same hazardous area.
When the emergency stop switch is actuated, SSE with SS1 will be activated via SD-In2 at axis 1. SD-Out1 of axis 1 will activate SSE with SS1 via SD-In2 at axis 2. SD-Out1 of axis 2 reports the status back to the safety PLC.
When opening the door switch, SLS1 will be activated via SD-In1 at both axes.
If an error occurs in a safety module (e. g. SLS exceeded), SD-Out1 of the corresponding safety module will be switched off. This will activate SS1 in all following axes of the network. The last axis will report the status to the safety PLC which will then also activate SS1 in all previous axes of the network.

 

Safety information / disclaimer:

The safety application and parameterisation notes are examples of possible subfunctions in machines.

The T10D value according to DIN EN ISO 13849-1, Annex C.4.2 is only indicated if a B10D value is available and the operating time is less than 20 years.
 
Commissioning is prohibited until the machine has been checked in accordance with the regulations set out in the relevant EU directives / national laws.
 
The safety instructions contained in the technical documentation must be observed.
 
Using the examples does not exempt the user from careful project planning. For possible damages and consequential damages Lenze assumes no liability to the extent permitted by law.
 
Copyright 2019 Lenze Automation GmbH

URL for linking this AKB article: https://www.lenze.com/en-de/go/akb/201006164/1/
Contact form