Function:
When the safety function is requested, the motors are stopped according to stop category 1 of EN 60204-1.
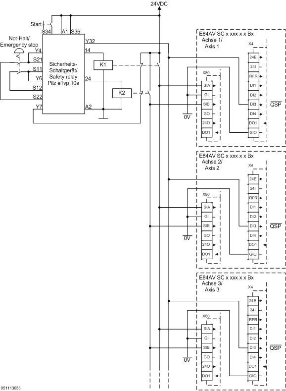
The delay time of the safety relay must be longer than the QSP time.
Consider the delay time tolerances of the safety relay.
The values to be set depend on the application.
In the drawing, the delay time of the safety relay is set to 1 s.
The connection example only shows the first 3 axes.
Faults have been excluded for protected cables (according to DIN EN ISO 13849-2:2008-09 and DIN EN 61800-5-2:2008-04). This applies to cables which are protected by a cable duct and installed inside the control cabinet. The cables between the relays and the safety modules must be protected.
Safety information / disclaimer:
The safety application and parameterisation notes are
examples of possible subfunctions in machines.
The T10D value according to DIN EN ISO 13849-1, Annex C.4.2 is only
indicated if a B10D value is available and the operating time is less than 20
years.
Commissioning is prohibited until the machine has been checked in accordance
with the regulations set out in the relevant EU directives / national laws.
The safety instructions contained in the technical documentation must be
observed.
Using the examples does not exempt the user from careful project planning.
For possible damages and consequential damages Lenze assumes no liability to
the extent permitted by law.
Copyright 2019 Lenze Drives GmbH