9400 with SM301 - Safe torque off and other functions with motor contactor - performance level e


Function:
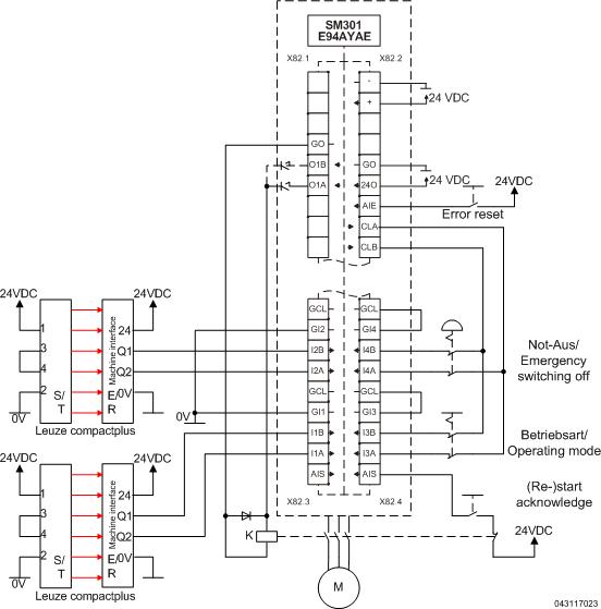
When the emergency stop switch is actuated, the motor is stopped according to stop category 0 of EN 60204-1.
When the operation mode selector is actuated, the safely limited speed is activated.
When the lower light curtain is interrupted, it is monitored that the positive direction is observed, i. e. the negative direction is impeded.
When the upper light curtain is interrupted, the safe operating stop is activated.

 

The motor contactor and the operation mode selector must be equipped with positively driven contacts.
If the current consumption of the contactor coil exceeds 500 mA, both channels of the safe output must be connected in parallel using decoupling diodes. If only O1A is used, you need not use any decoupling diode.
The current consumption must not exceed the value of 500 mA per channel specified in the Manual (i. e. 1 A in case of a parallel connection of O1A and O1B)

The application example implements an emergency stop according to EN 60204-1.

Only use the application example if an automatic electrical isolation between mains and motor is absolutely necessary.

Safety information / disclaimer:

The safety application and parameterisation notes are examples of possible subfunctions in machines.

The T10D value according to DIN EN ISO 13849-1, Annex C.4.2 is only indicated if a B10D value is available and the operating time is less than 20 years.
 
Commissioning is prohibited until the machine has been checked in accordance with the regulations set out in the relevant EU directives / national laws.
 
The safety instructions contained in the technical documentation must be observed.
 
Using the examples does not exempt the user from careful project planning. For possible damages and consequential damages Lenze assumes no liability to the extent permitted by law.
 
Copyright 2019 Lenze Automation GmbH


URL for linking this AKB article: https://www.lenze.com/en-de/go/akb/200908346/1/
Contact form