9400 with SM301 - Safe torque off and SD-Out switches P-M load - performance level e


Function:
When the safety function is requested, the motor is stopped according to stop category 0 of EN 60204-1.

 

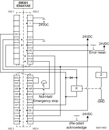
To switch a load (Z) connected in a P/M (plus/minus) circuit using the SM301, you need a coupling relay (K). Use a positively driven relay (e. g. Wago 788-384 or at www.tuvasi.com). To check if the relay works correctly, the feedback contact must be connected to a safe input of the SM301. Then, the discrepancy time between the safe output and the relay is monitored by the safe input SD-In3. The maximum load current of a channel of the safe output is 500 mA.

Safety information / disclaimer:

The safety application and parameterisation notes are examples of possible subfunctions in machines.

The T10D value according to DIN EN ISO 13849-1, Annex C.4.2 is only indicated if a B10D value is available and the operating time is less than 20 years.
 
Commissioning is prohibited until the machine has been checked in accordance with the regulations set out in the relevant EU directives / national laws.
 
The safety instructions contained in the technical documentation must be observed.
 
Using the examples does not exempt the user from careful project planning. For possible damages and consequential damages Lenze assumes no liability to the extent permitted by law.
 
Copyright 2019 Lenze Automation GmbH

URL for linking this AKB article: https://www.lenze.com/en-de/go/akb/200808000/1/
Contact form