9400 with SM301 - Safe stop 1 and safe brake control with brake module I lower 1A - performance level e


Function:
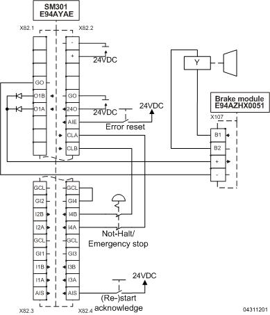
When the safety function is requested, the motor is stopped according to stop category 1 of EN 60204-1. When the STO state is reached, the SM301 safely disconnects the brake module supply.
To ensure that not only the brake is applied and the motor continues rotating when an error occurs in the SM301 which does not lead to STO, there is also an error set in the axis module.
To exclude a short circuit between the decoupling diodes and X107 +, the cable must be protected.

 

Important:
Only use the application example when using a motor with terminal box because the SELV / PELV characteristics of the supply must not be reduced. Due to the distance between the connections, there is only a single basic insulation available in the motor connector if a circular connector is used.
In the motor terminal box, the shield of the brake cores must enclose the cores as long as possible.

Safety information / disclaimer:
The safety application and parameterisation notes are examples of possible subfunctions in machines.

The T10D value according to DIN EN ISO 13849-1, Annex C.4.2 is only indicated if a B10D value is available and the operating time is less than 20 years.
 
Commissioning is prohibited until the machine has been checked in accordance with the regulations set out in the relevant EU directives / national laws.
 
The safety instructions contained in the technical documentation must be observed.
 
Using the examples does not exempt the user from careful project planning. For possible damages and consequential damages Lenze assumes no liability to the extent permitted by law.
 
Copyright 2019 Lenze Automation GmbH


URL for linking this AKB article: https://www.lenze.com/en-de/go/akb/200806103/1/
Contact form