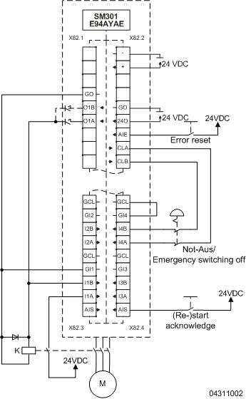
9400 with SM301 - Safe torque off with motor contactor - performance level e


Function:
When the safety function is requested, the motor is stopped according to stop category 0 of EN 60204-1.

 

Only use the application example if an automatic electrical isolation between mains and motor is absolutely necessary.

The motor contactor must be equipped with positively driven contacts.
If the current consumption of the contactor coil exceeds 500 mA, both channels of the safe output must be connected in parallel via decoupling diodes. If O1A is used only, a decoupling diode is not required.
The current consumption must not be higher than the specified value of 500 mA per channel (i. e. 1 A for parallel connection of O1A and O1B) – see manual.

The application example shows an emergency stop according to EN 60204-1.

A motor contactor error will be detected by the discrepancy monitoring of SD-In1.
To enable the controller after a discrepancy error, the SM301 must be switched off and on again. Discrepancy errors can only be acknowledged after a signal change of both channels of the safe input. However, since the SM301 has safely switched off the motor contactor supply due to the error, the motor contactor cannot be activated. This is why a signal change is not possible.

Safety information / disclaimer:

The safety application and parameterisation notes are examples of possible subfunctions in machines.

The T10D value according to DIN EN ISO 13849-1, Annex C.4.2 is only indicated if a B10D value is available and the operating time is less than 20 years.
 
Commissioning is prohibited until the machine has been checked in accordance with the regulations set out in the relevant EU directives / national laws.
 
The safety instructions contained in the technical documentation must be observed.
 
Using the examples does not exempt the user from careful project planning. For possible damages and consequential damages Lenze assumes no liability to the extent permitted by law.
 
Copyright 2019 Lenze Automation GmbH

URL for linking this AKB article: https://www.lenze.com/en-de/go/akb/200800444/1/
Contact form