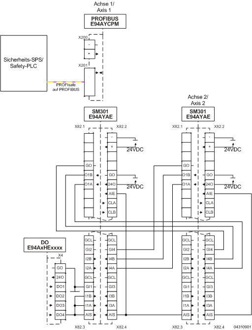
9400 with SM301 - Safe cascading with restart acknowledgement via PLC - performance level e
Function: In this example, only one axis of the cascaded drives is connected to a bus. The restart of all cascaded controllers must be acknowledged simultaneously. SM301 errors, if any, will be sequentially reset for restart acknowledgement (1st positive edge at DO 4 --> error acknowledgement, 2nd positive edge at DO 4 --> restart).
The restart acknowledgement may be carried out via a non-safe PLC output if the status of the output is safely confirmed to the safety PLC, and there compared with the expected value. This is implemented via SD-In 1.
Safety information / disclaimer:
The safety application and parameterisation notes are examples of possible subfunctions in machines.
The T10D value according to DIN EN ISO 13849-1, Annex C.4.2 is only indicated if a B10D value is available and the operating time is less than 20 years. Commissioning is prohibited until the machine has been checked in accordance with the regulations set out in the relevant EU directives / national laws. The safety instructions contained in the technical documentation must be observed. Using the examples does not exempt the user from careful project planning. For possible damages and consequential damages Lenze assumes no liability to the extent permitted by law. Copyright 2019 Lenze Automation GmbH