9400 with SM301 - Safe stop 1 and safely-limited speed with field pair switching at laser scanner - performance level d


Function:
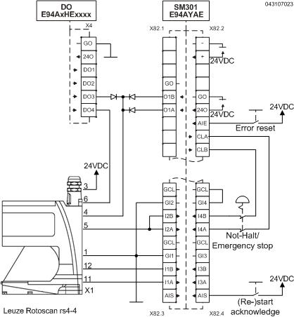
When the hazard area of a machine is monitored by a laser scanner, the protection zone can be minimized by changeable warning and protection fields.

If the warning field (yellow) of the laser scanner is touched, the SM 301 switches to safely limited speed. SLS is purely functionally activated (signal output of the laser scanner).
If the protection field (red) of the laser scanner is touched, the SM 301 switches to a parameterized stop function (in this example SS2).

Safety information / disclaimer:

The safety application and parameterisation notes are examples of possible subfunctions in machines.

The T10D value according to DIN EN ISO 13849-1, Annex C.4.2 is only indicated if a B10D value is available and the operating time is less than 20 years.
 
Commissioning is prohibited until the machine has been checked in accordance with the regulations set out in the relevant EU directives / national laws.
 
The safety instructions contained in the technical documentation must be observed.
 
Using the examples does not exempt the user from careful project planning. For possible damages and consequential damages Lenze assumes no liability to the extent permitted by law.
 
Copyright 2019 Lenze Automation GmbH

URL for linking this AKB article: https://www.lenze.com/en-de/go/akb/200707307/1/
Contact form