9400 with SM100 - Safe stop 1 at three drive controllers with electronic safety relay - performance level e - safety integrity level 3


Function:
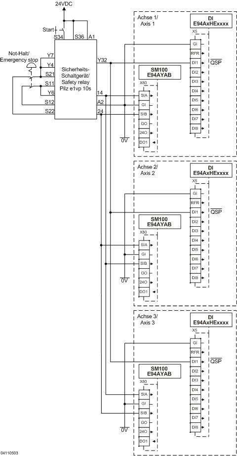
If the safety function is requested the motors are stopped according to stop category 1 described in EN 60204-1.
The set delay time of the safety relay must be longer than the QSP time. Consider the delay time tolerances of the safety relay. The values to be set depend on the application.
In the drawing, the delay time of the safety relay is set to 3 s.
To ensure an equal load on the safety relay contacts, the SM100 inputs (SIA and SIB) are alternately connected.

 

Since the SM100 does not contribute to the probability of failure on demand (PFD) and to the probability of failure per hour (PFH), the feedback DO1 needs not be used. All safety-relevant errors that can occur in the SM100 result in the safe state. Faults have been excluded for protected cables (according to DIN EN ISO 13849-2:2003-12 and IEC 61800-5-2:2007-07). This applies to cables which are protected by a cable duct and installed inside the control cabinet.

All axes are installed in the same hazardous area.

Safety information / disclaimer:

The safety application and parameterisation notes are examples of possible subfunctions in machines.

The T10D value according to DIN EN ISO 13849-1, Annex C.4.2 is only indicated if a B10D value is available and the operating time is less than 20 years.
 
Commissioning is prohibited until the machine has been checked in accordance with the regulations set out in the relevant EU directives / national laws.
 
The safety instructions contained in the technical documentation must be observed.
 
Using the examples does not exempt the user from careful project planning. For possible damages and consequential damages Lenze assumes no liability to the extent permitted by law.
 
Copyright 2019 Lenze Automation GmbH


URL for linking this AKB article: https://www.lenze.com/en-de/go/akb/200704499/1/
Contact form