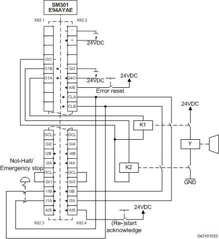
9400 with SM301 - Safe stop 1 and safe brake control with anti-rotation-monitoring - performance level e
Function: When the safety function is requested, the motor is stopped according to stop category 1 of EN 60204-1.
For two-channel brake control with the SM301 you need two coupling relays. Use positively driven relays (e. g. Wago 788-384 or at www.tuvasi.com). To check if the relays work correctly, the feedback contact must be led to a safe input of the SM301. Then, the discrepancy time of the two relays is monitored via the safe input. The safe input is used to activate SLS1 with nlim = 5. If the motor rotates when the brake is applied, the SM301 will activate an error message. If no safe speed monitoring is used, select 'None' as free assignment function for safe input 3.
If you also want the brake to be activated through the technology application, use e. g. a series connection for the application example and the brake module. (Not part of the application example).
Safety information / disclaimer:
The safety application and parameterisation notes are examples of possible subfunctions in machines.
The T10D value according to DIN EN ISO 13849-1, Annex C.4.2 is only indicated if a B10D value is available and the operating time is less than 20 years. Commissioning is prohibited until the machine has been checked in accordance with the regulations set out in the relevant EU directives / national laws. The safety instructions contained in the technical documentation must be observed. Using the examples does not exempt the user from careful project planning. For possible damages and consequential damages Lenze assumes no liability to the extent permitted by law. Copyright 2019 Lenze Automation GmbH