Using the ECS analog input as additional digital input

Question:
How can the analog input of the ECS axis modules be used as additional digital input?

Answer:
If the ECS axis modules (Speed & Torque or Application) require an addition digital input the analog input (AIN1) can be used as digital input if necessary.
This can be implemented by an 'incorrect' use of the wire breakage monitoring. The wire breakage monitoring 'SD5' is only active if the analog input is configured as master current input 4....20 mA.
The fault response SD5 must remain switched off as it is the case according to the default setting: code C0598 = 3 (Off). Nevertheless, the digital motor signal 'AIN1-Error' is activated if a wire breakage is detected.  

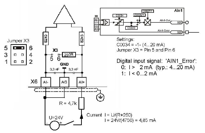
Settings:
In order to change the analog input from voltage (+/- 10V) to current (4...20 mA) the following settings are required:
  • Jumper X3: Connect pins 5 and 6
  • C0034 = -1-  (4...20 mA)
  • SD5 monitoring remains off, code C0598 = 3 (Off).
  • Function block output 'AIN1-Error' serves as digital input signal (ECS Speed&Torque)
  • or variable 'Ain1_bError_b'  (ECS application) respectively

External wiring and function:
The terminal 'AI+' of the analog input forms, connected with a series resistor of e.g. 4.7 kOhm, the digital signal input with the 'Low active' logic (fail-safe).

Select internally the 0-signal:
If the AI+ terminal is controlled via the series resistor with 24V (High level) the current flows with approx. 4.85 mA under consideration of the internal shunt resistor (see diagram). The wire breakage monitoring does not respond and the 0-signal is indicated internally via the function block output AIN1-Error or variable 'Ain1_bError_b' respectively.

Select internally the 1-signal:
In order to obtain a 1-signal the current flow at terminal AI+ must be interrupted (Low level) so that the wire breakage threshold falls below 2 mA. As a result, the 1-signal is indicated internally via the function block output AIN1-Error or variable 'Ain1_bError_b' respectively.

'Posi&Shaft' and 'Motion' variants:
The functionality described before does not apply to the 'Posi&Shaft' and 'Motion' variants since in these cases signal combinations via function block editor are not possible.

URL for linking this AKB article: https://www.lenze.com/en-de/go/akb/200601540/1/
Contact form