DigOut relay, relay output for brake also applicable for other functions

Question:
Can the relay output of the ECS not only be used for connecting a holding brake, but also for other functions?

Answer:
Yes, the relay output X25/B1 and /B2 of the ECS can generally also be used for other functions.
If the relay output is not used for brake control, the monitoring of the holding brake has to be deactivated (C0602 in case of speed & torque).

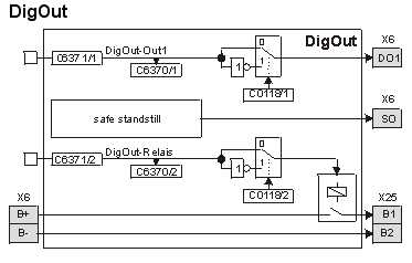
Speed & Torque:
In case of the version speed & torque the trigger signal for the relay output can be configured via the corresponding input at the function block 'DigOut', see figure.

Posi & Shaft and Motion:
If the ECS is fitted with the application software 'Posi & Shaft' or 'Motion' the relay output is connected to the control of the holding brake and can therefore not be assigned with other functions.

Application version:
The free programming with the DDS by using the available libraries enables the relay output to be used for other functions.

Note: When the relay output is used in the described way you have to consider that the relay has an ON-delay of 10 to 30 ms.

URL for linking this AKB article: https://www.lenze.com/en-de/go/akb/200510698/1/
Contact form