Touch probe synchronisation, TP-SYNC-Busy (CDATA, CCTRL)

Question:
Function blocks CDATA and CCTRL: Why is the status signal TP-SYNC-BUSY sporadically not set although the touch probe signal has been identified and the synchronisation has been carried out?

Answer:
When using the touch probe correction function the status signal TP-SYNC-BUSY indicates a running touch probe correction after detecting a TP signal. If the distance to be corrected is very short the touch probe synchronisation can already be completed within a program cycle (1 ms) . In this case the status signal TP-SYNC-BUSY is reset in the same program cycle before it could be evaluated by the user.

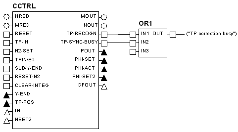
If an executed touch probe correction is to be identified reliably a corresponding signal can be generated by means of the function block interconnection shown in the example below (CCTRL function block).
The interconnection example can also be applied for the CDATA function block.

URL for linking this AKB article: https://www.lenze.com/en-de/go/akb/200508134/1/
Contact form