i950 with Extended Safety - Position-dependent safe speed with two-encoder-concept - Performance Level d/e

Safety_i950ES_SS1_SBC_PDSS_mit_Zwei-Geber-Konzept_PL_e_V1.jpg
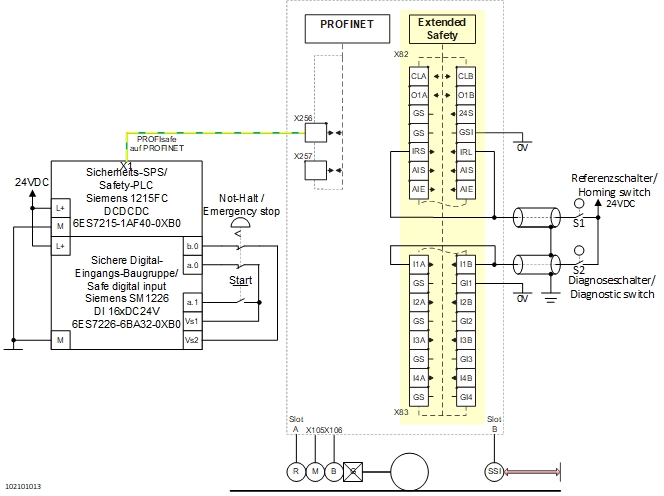
Function:
  • Emergency-stop
    • When the emergency stop button at the safe inputs of the safety PLC is actuated, safe stop 1 is activated with a braking time of 1 500 ms.
    • The trend of the deceleration ramp is monitored.
    • When the reset / start button at the safe inputs of the safety PLC is actuated, the emergency stop and any errors are acknowledged.
  • Safe brake control
    • When STO is activated (as the final state of Safe Stop 1 or error response), the safe brake control is activated. As a result, the motor brake is applied. (Safe brake control according to DIN EN 61800-5-2:2017-11 chap. 4.2.5)
    • When STO is deactivated, the safe brake control is deactivated. The brake may still be applied by the application.
  • Normalization of the position values
    • The absolute position values in the Extended Safety are provided with a normalization factor of 10, i.e. 1 unit (mm) = 10 incr. This is based on the resolution of the position encoder.
  • Homing
    • After switching on the system, the motion application need not be homed because an absolute position measuring system is used.
    • Safe homing happens on the position switch S1 in the negative direction. Subsequently, the position switch is left in the positive direction again.
    • As long as the safe home position is not available in Extended Safety, it is only possible to move with SLS1 (= 1000 mm / s) and in the negative direction. Safe homing is started on the position switch S1 in the negative direction. The safe home position is set when leaving the position switch in the positive direction. The motor is moved in the inhibited direction within the tolerance window of the SDI function (max 327 680 inc. = 500 mm).
    • The homing movement happens via two positioning profiles.
  • Safe position monitoring
    • As soon as the safe home position is available, the PDSS function is automatically enabled.
    • SCS can be used in the end areas of the movement area.
  • Motion function
    • In automatic mode, the vehicle positions between 3 200 mm (= 32 000 inc.) and 80 800 mm (= 808 000 inc.) at 4 000 mm / s (= 2 400 rpm). The acceleration and deceleration is 2 000 mm / s2 (= 1 200 rpm / s).
    • In normal operation, it is not positioned into the SCS areas.
    • The SCS areas can be travelled on with 150 mm / s (= 90 rpm) with e.g. Manual Jog.
  • General
    • Occurring slip of max. 10 mm per motor revolution (= 1 000 Ink.) is also compensated in the end areas. Therefore, the tolerance for the position comparison is also parameterized to 1 000 inc.
    • By means of the two diagnostic marks, which actuate the position switch S2, the correct position value of the SSI encoder is checked before the vehicle enters the end areas of the movement area.
    • The diagnostic marks have a width of 50 mm each. This results in an operating time of 12 ms at maximum speed (4 167 mm / s). This time is long enough for certain detection.
    • The centers of homing switch S1 and diagnostic switch S2 each mark the point of the current position value.
    • Any offset must be specified in the SSI encoder.

Safety information / disclaimer:
 
The drive-based safety application and parameterisation notes are examples of possible subfunctions in machines. 
The T10D value according to DIN EN ISO 13849-1, Annex C.4.2 is only indicated if a B10D value is available and the operating time is less than 20 years.
Commissioning is prohibited until the machine has been checked in accordance with the regulations set out in the relevant EU directives / national laws. 
The safety instructions contained in the technical documentation must be observed.
Using the examples does not exempt the user from careful project planning. Lenze does not assume any liability for potential damage and consequential damage that may occur.

Copyright 2023 Lenze SE

URL for linking this AKB article: https://www.lenze.com/en-de/go/akb/201900290/1/
Formulario de contacto