i950 with Extended Safety - Hoist with two brakes - Performance Level e-d

Safety_i950_SS1_Sichere_Bremse_zweikanalig_Hubwerk_V1.jpg
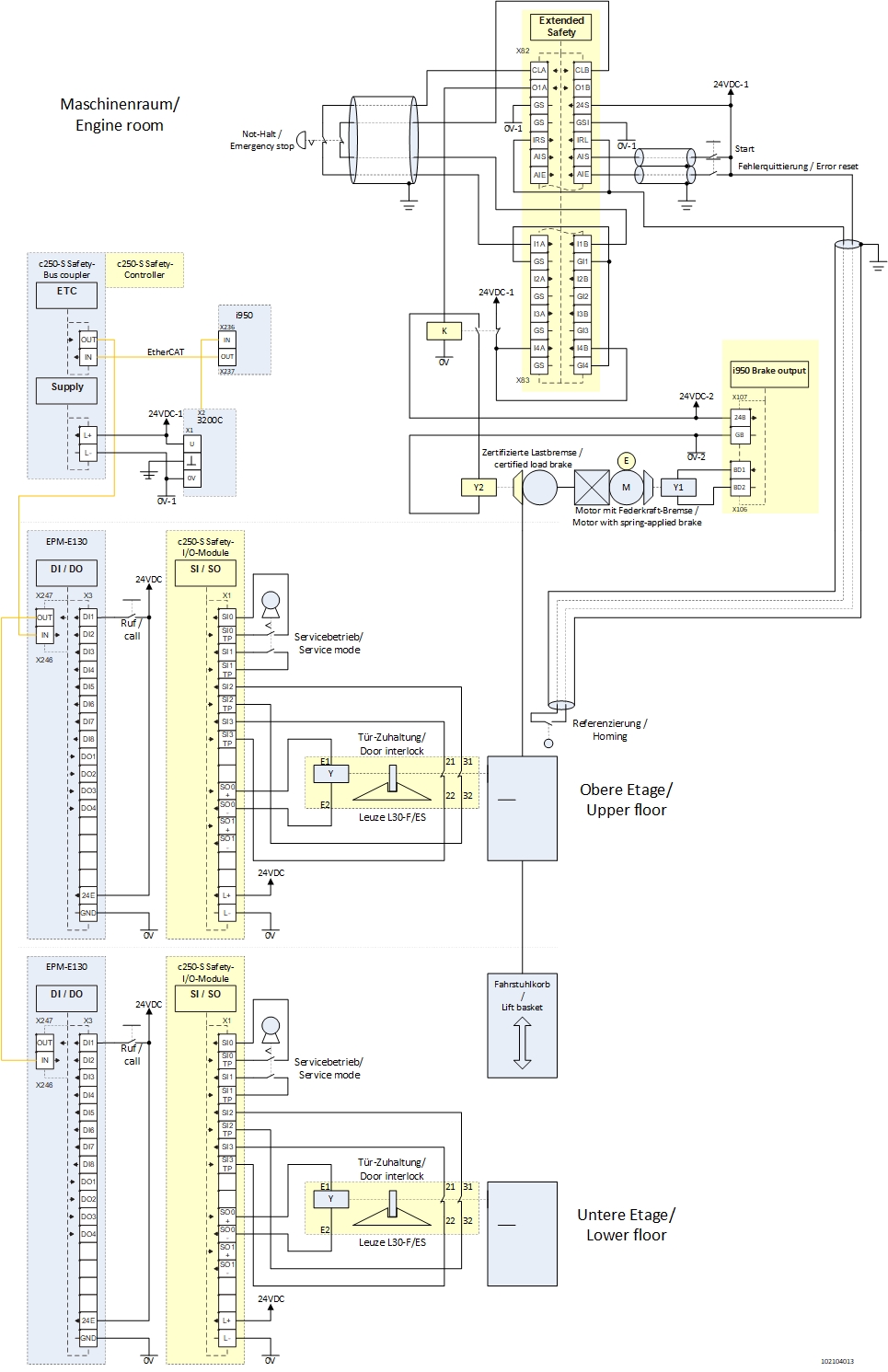
Function:
• The motor is brought to a standstill when the emergency stop button is pressed in accordance with stop category 1 of EN 60204-1. The deceleration ramp is monitored. (Safe stop 1 according to DIN EN 61800-5-2:2017-11 Chap. 4.2.3.3 Function b)
• When the emergency stop button is pressed, the safe brake control is activated. As a result, the motor brake and the safe load brake are applied after a delay time. (Safe brake control according to DIN EN 61800-5-2:2017-11 chap. 4.2.5).
When the emergency stop button is reset, the safe brake control is deactivated. However, the motor brake remains applied by the application. When the emergency stop is acknowledged, the safe load brake is released again.
• After switching on the supply voltage, the (safe) home position is not present in the motion controller or in Extended Safety. When the first move command is requested, SLS2 is used to home on the homing switch in the positive direction; when it is reached, the hoist is reversed and positioned to the upper position.
• When the upper position is reached for the first time after homing, the PDSS function is automatically activated and then remains permanently switched on.
• Absolute positioning is started via the upper or lower call button.
• When the respective position is reached, the respective door guard locking is unlocked via the SCA function. 
• In automatic operation, the SOS function is activated as soon as a door is opened. If the SOS position window is left, both brakes apply in a safety-oriented manner.
• If service mode is selected via one of the two service mode switches, SLS1 is activated and, if necessary, the current positioning is aborted. Afterwards, the motor brake and then the safe load brake are tested. The torsion angle is monitored via the SOS function. If both brake tests are passed, the respective door guard locking is unlocked and the corresponding position is approached.
• Faults have been excluded for protected cables (according to DIN EN ISO 13849-2:2013-02). This applies to cables which are protected by a cable duct and installed inside the control cabinet.

Safety information / Disclaimer:
The safety application and parameterisation notes are examples of possible subfunctions in machines. 
The T10D value according to DIN EN ISO 13849-1, Annex C.4.2 is only indicated if a B10D value is available and the operating time is less than 20 years.
Commissioning is prohibited until the machine has been checked in accordance with the regulations set out in the relevant EU directives / national laws. 
The safety instructions contained in the technical documentation must be observed.
Using the examples does not exempt the user from careful project planning. For possible damages or consequential damages Lenze assumes no liability to the extent permitted by law.

Copyright 2023 Lenze SE 

URL for linking this AKB article: https://www.lenze.com/en-de/go/akb/201900407/1/
Formulario de contacto