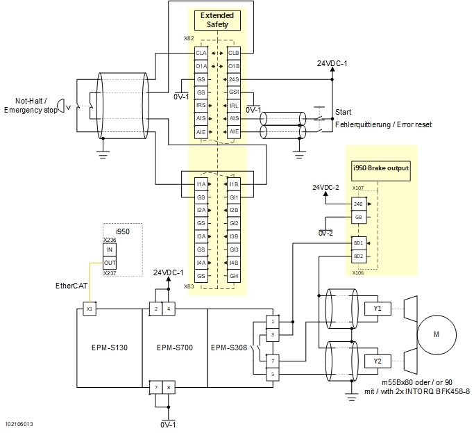
i950 with Extended Safety - Safe stop 1 and safe double-brake double-channel with test - Performance Level e-d

​Function:

When the emergency-stop button is actuated, the motor is stopped according to stop category 1 of EN 60204-1. The deceleration ramp is monitored. (Safe stop 1 according to DIN EN 61800-5-2:2017-11 chapter 4.2.3.3 function b)

When the emergency-stop button is actuated, the safe brake control is activated. As a result, the safe motor brakes are applied after a delay time. (Safe brake control according to DIN EN 61800-5-2:2017-11 chapter 4.2.5)

When the emergency-stop button is reset, the safe brake control is deactivated. However, the motor brakes remain applied by the application.

When the STO function is disabled, a brake test is carried out automatically. Brake Y1 is tested first. To do this, brake Y2 is released by switching on output DO1 of the EPM-S308 and enabling the brake output separately after the brake test has started.
If the test of brake Y1 has been successfully completed, brake Y2 is tested. To do this, brake Y2 is applied and brake Y1 is released by switching on output DO0 of the EPM-S308 and enabling the brake output separately after the brake test has started.
If the test of brake Y2 has also been successfully completed, the motion function can be enabled. The test torque should correspond to 1.0 times the standstill torque. It is assumed that the maximum load torque is equal to the maximum standstill torque of the motor.

This application example can be used for all technology applications in which the motion control can be influenced by the built-in limiter.

Faults have been excluded for protected cables (according to DIN EN ISO 13849-2:2013-02). This applies to cables which are protected by a cable duct and installed inside the control cabinet.

Safety_i950ES_SS1_Sichere_Doppel-Bremse_zweikanalig_mit_Test_V1.jpg
Safety information / disclaimer

The safety application and parameterisation notes are examples of possible subfunctions in machines. 
The T10D value according to DIN EN ISO 13849-1, Annex C.4.2 is only in-dicated if a B10D value is available and the operating time is less than 20 years.
Commissioning is prohibited until the machine has been checked in accordance with the regulations set out in the relevant EU directives / national laws. 
The safety instructions contained in the technical documentation must be observed.
Using the examples does not exempt the user from careful project planning. For possible damages and consequential damages Lenze assumes no liability to the extent permitted by law.

Copyright 2021 Lenze SE

URL for linking this AKB article: https://www.lenze.com/en-de/go/akb/202000153/1/
Formulario de contacto