i950 with Basic Safety - STO - Safe stop 1 with electronic safety-relay - Performance Level e

Safety_i950BS_ele_PL_e_V1.jpg
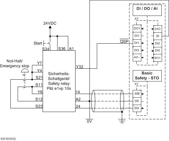
Function:

When the emergency-stop button is actuated, the motor is stopped according to stop category 1 of EN 60204-1. (Safe stop 1 according to DIN EN 61800-5-2:2008-04 chapter 4.2.2.3 function c)
The delay time of the safety relay must be longer than the resulting QSP time. Con-sider the delay time tolerances of the safety relay. The values to be set depend on the application. In the drawing, the delay time of the safety relay is set to 3s.
This application example can be used in all technology applications where the QSP can be activated via a digital input of the drive controller.
Faults have been excluded for protected cables (according to DIN EN ISO 13849-2:2013-02 and IEC 61800-5-2:2008-04). This applies to cables which are protected by a cable duct and installed inside the control cabinet.

Safety information / disclaimer

The Safety application and parameterisation note are examples of possible subfunctions in machines.

The T10D value according to DIN EN ISO 13849-1, Annex C.4.2 is only indicated if a B10D value is avaiable and the operating time is less than 20 years.

Commissioning is prohibited until the machine has been checked in accordance with the regulations set out in the relevant EU directives / national laws.

The safety instructions contained in the technical documentation must be observed.

Using the examples does not exempt the user from careful project planning. For possible damages and consequential damages Lenze assumes no liability to the extent permitted by law.

Copyright 2019 Lenze Automation GmbH


URL for linking this AKB article: https://www.lenze.com/en-de/go/akb/201800058/1/
Formulario de contacto