8400 motec with SO10 - Safe torque off at 5 controllers in two overlapping hazardous areas with electronic safety relays - performance level e

safety_so10_5_achsen_2_gruppen_ele_pl_e.jpg

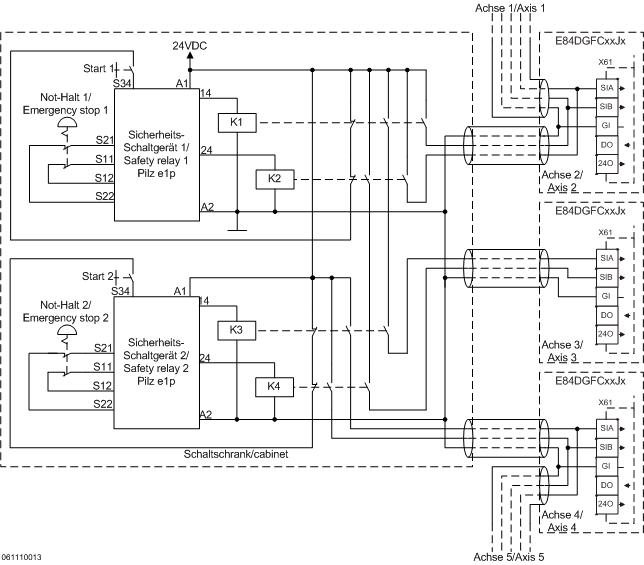
Function:

This application example includes two hazardous areas. Axes 1+2 are in hazardous area 1. Axis 3 is in both hazardous areas (e.g. conveyor belt between two machine parts). Axes 4+5 are in hazardous area 2. When the safety function is requested in hazardous area 1, motors 1-3 are switched off according to stop category 0 of EN 60204-1. When the safety function is requested in hazardous area 2, motors 3-5 are switched off according to stop category 0 of EN 60204-1.
 
Safety information / disclaimer:
 
The safety application and parameterisation notes are examples of possible subfunctions in machines.

The T10D value according to DIN EN ISO 13849-1, Annex C.4.2 is only indicated if a B10D value is available and the operating time is less than 20 years.
 
Commissioning is prohibited until the machine has been checked in accordance with the regulations set out in the relevant EU directives / national laws.
 
The safety instructions contained in the technical documentation must be observed.
 
Using the examples does not exempt the user from careful project planning. For possible damages and consequential damages Lenze assumes no liability to the extent permitted by law.
 
Copyright 2019 Lenze Drives GmbH

URL for linking this AKB article: https://www.lenze.com/en-de/go/akb/201304757/1/
Formulario de contacto