9400 with SM301 - Safe stop 1 with long stop time and safety door monitoring with interlock - performance level e


Function:
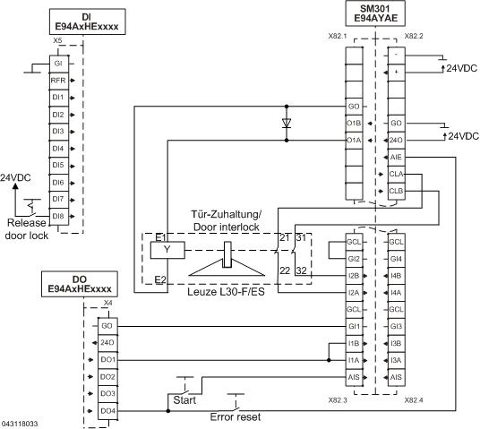
When opening the safety door is requested, the motor is stopped according to stop category 1 of EN 60204-1.
The hazardous area is protected by a locked safety door. The interlock may only be opened in the 'safe torque off' state.
The SS1 stop function in the SM301 is started after expiry of the delay time of L_TbDelay2. If the system has come to standstill and there has not occurred any error after expiry of the stop time in the SM301, the locking will be opened via SD-Out1. The feedback contacts of the interlock will additionally activate STO at SM301.
If the motor does not follow the QSP ramp, an error will be set after expiry of the stop time in the SM301 and STO will be activated. To ensure that the interlock cannot already be opened after an error while the motor is still coasting to standstill, the error can only be reset when the speed has fallen below the value set in C00019.

 

The restart inhibit of the SM301 can also only be reset when the speed has fallen below the value set in C00019.

The application example can be used for quick stop times longer than 30 s.

Safety information / disclaimer:

The safety application and parameterisation notes are examples of possible subfunctions in machines.

The T10D value according to DIN EN ISO 13849-1, Annex C.4.2 is only indicated if a B10D value is available and the operating time is less than 20 years.
 
Commissioning is prohibited until the machine has been checked in accordance with the regulations set out in the relevant EU directives / national laws.
 
The safety instructions contained in the technical documentation must be observed.
 
Using the examples does not exempt the user from careful project planning. For possible damages and consequential damages Lenze assumes no liability to the extent permitted by law.
 
Copyright 2019 Lenze Automation GmbH

URL for linking this AKB article: https://www.lenze.com/en-de/go/akb/200908466/1/
Formulario de contacto