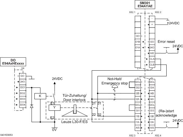
9400 with SM301 - Safe stop 1 and safety door monitoring with interlock - performance level e
Function: When the emergency stop is requested, the motor is stopped according to stop category 1 of EN 60204-1. It is possible to open the locking of a safety door with a non-safe output of the basic device to evaluate the status by means of the safety module. Consequently, the safe output of the SM301 can be used for further functions. In the example, operation with an open safety door requires safely limited speed. The example does not describe the control of the door interlockafety gate requires safely limited speed.
Safety information / disclaimer:
The safety application and parameterisation notes are examples of possible subfunctions in machines.
The T10D value according to DIN EN ISO 13849-1, Annex C.4.2 is only indicated if a B10D value is available and the operating time is less than 20 years. Commissioning is prohibited until the machine has been checked in accordance with the regulations set out in the relevant EU directives / national laws. The safety instructions contained in the technical documentation must be observed. Using the examples does not exempt the user from careful project planning. For possible damages and consequential damages Lenze assumes no liability to the extent permitted by law. Copyright 2019 Lenze Automation GmbH