9400 with SM301 - Operation mode selector and enable switch applied to several axes - performance level e


Function:
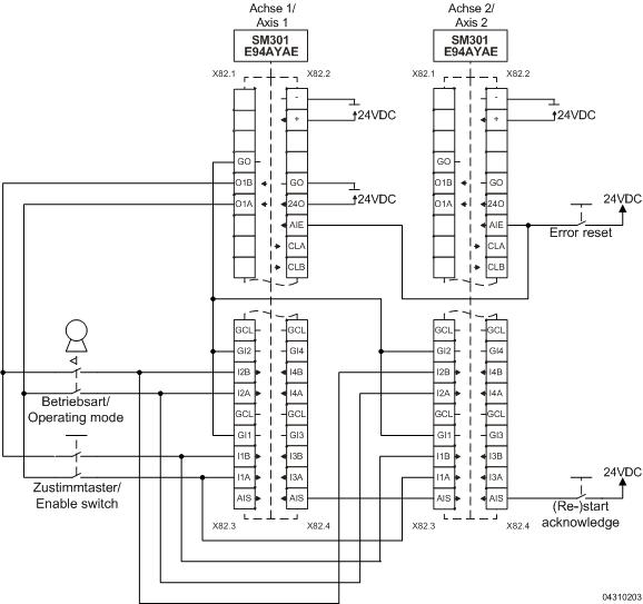
Sensors may be connected to more than one axis.
In the example, the operating mode of several axes is changed simultaneously with only one operation mode selector and one enable switch.
If an error occurs in the wiring or sensors, the safe output is switched off. Both controllers change to normal operation and the stop function of the operation mode selection is activated.
If the clock outputs CLA and CLB of the SM301 of axis 1 were used, the stop function of the SM301 of axis 2 would not be activated as well in the case of a short circuit.
The actuation of the enable switch alone must not yet activate any motion. Another axis-specific travel command must always be given in addition.

Safety information / disclaimer:

The safety application and parameterisation notes are examples of possible subfunctions in machines.

The T10D value according to DIN EN ISO 13849-1, Annex C.4.2 is only indicated if a B10D value is available and the operating time is less than 20 years.
 
Commissioning is prohibited until the machine has been checked in accordance with the regulations set out in the relevant EU directives / national laws.
 
The safety instructions contained in the technical documentation must be observed.
 
Using the examples does not exempt the user from careful project planning. For possible damages and consequential damages Lenze assumes no liability to the extent permitted by law.
 
Copyright 2019 Lenze Automation GmbH

URL for linking this AKB article: https://www.lenze.com/en-de/go/akb/200704507/1/
Formulario de contacto